Automatic Shutdown Relay / Dodge Durango Asd And Fuel Pump Relays Diagnosis And Testing Fuel Injection System Fuel System - To be mounted on the engine.. One of these components is the automatic shutdown relay, commonly referred to as the asd the asd relay supplies power to the vehicle's ignition coils and fuel injectors, which are some of the most. What if your car shuts down while you are parked on train tracks with a big. Make sure you save your files frequently so you don't lose data during a shutdown. March 5, 2021 cited 2021 mar 5. But they do list a starter shutdown relay.

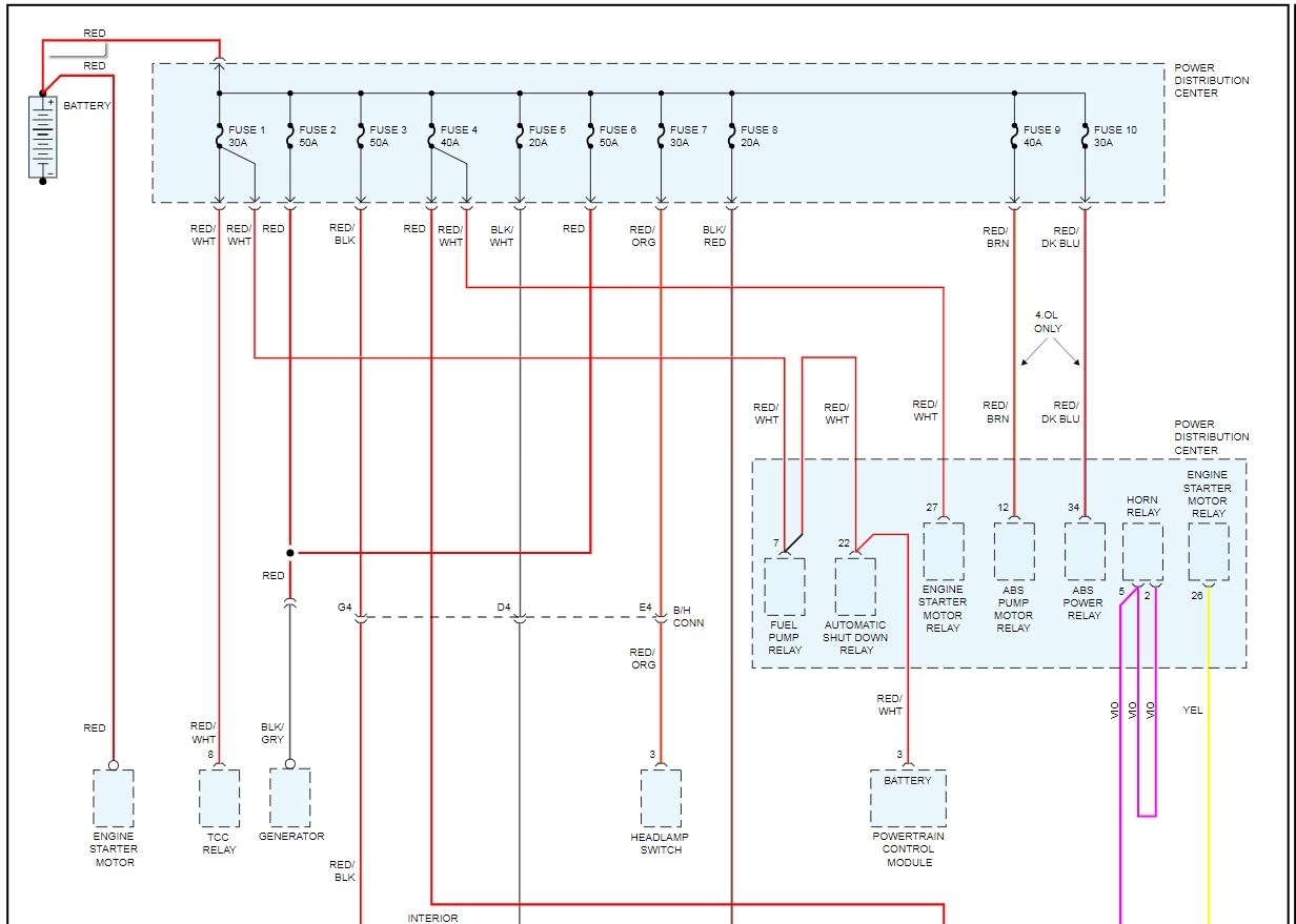
What i had found was a vacant #11 fuse for the transmission control module, powertrain control module, automatic shutdown relay, fuel pump relay. Are they the same thing? The automatic shutdown relay is located in the power distribution center and is energized by key on or start power and then it feeds power to the generator (assuming this is the alternator?) and pin 57 on the pcm. One of these components is the automatic shutdown relay, commonly referred to as the asd the asd relay supplies power to the vehicle's ignition coils and fuel injectors, which are some of the most. Automatic shutdown relay by bob o'neill and bob lincoln the power supplied to the fuel pump, ignition coil, fuel injectors, and parts of the power module.

How To Reset An Asd Relay
How To Reset An Asd Relay from ww2.justanswer.com
What i had found was a vacant #11 fuse for the transmission control module, powertrain control module, automatic shutdown relay, fuel pump relay. 5 illustrates an automatic shutdown (asd) relay circuit applicable for use with the transfer case shift control system of the present invention 15 фраз в 7 тематиках. Automatic shutdown relay by bob o'neill and bob lincoln the power supplied to the fuel pump, ignition coil, fuel injectors, and parts of the power module. So, when the automatic shutdown (asd) relay is on; Are they the same thing? What if your car shuts down while you are parked on train tracks with a big. It supplies battery voltage (12+ volts) to the fuel.

Automatic shutdown relay tamil eelam news boise idaho through the lens photography os:

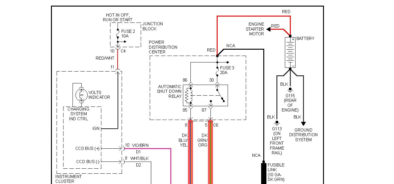
Is there any solve of this issue? One of these components is the automatic shutdown relay, commonly referred to as the asd the asd relay supplies power to the vehicle's ignition coils and fuel injectors, which are some of the most. The asd relay is located in the pdc (fig. March 5, 2021 cited 2021 mar 5. To be mounted on the engine. 15 фраз в 7 тематиках. Does the ecm supply a positive current to the lead wire in order to shut the vehicle down but normally operate as the ground for the circuit? This wikihow teaches you how to configure your mac or pc to safely shut down at a certain time. This chattering has a steady rhythm, not intermittent, which makes me wonder if it's performing it's function. The front control module (fcm) has detected the supply voltage below an acceptable. The automatic shutdown relay is located in the power distribution center and is energized by key on or start power and then it feeds power to the generator (assuming this is the alternator?) and pin 57 on the pcm. But they do list a starter shutdown relay. The automatic shutdown relay switch will be in the third column, third from the top.

A small, easy to use program made with effective power saving capability, this tool proves to drastically save on. Automatic shutdown relay by bob o'neill and bob lincoln the power supplied to the fuel pump, ignition coil, fuel injectors, and parts of the power module. 5 illustrates an automatic shutdown (asd) relay circuit applicable for use with the transfer case shift control system of the present invention So, when the automatic shutdown (asd) relay is on; The automatic shutdown relay switch will be in the third column, third from the top.

Symptoms Of A Bad Or Failing Automatic Shutdown Relay Yourmechanic Advice
Symptoms Of A Bad Or Failing Automatic Shutdown Relay Yourmechanic Advice from res.cloudinary.com
March 5, 2021 cited 2021 mar 5. But they do list a starter shutdown relay. Is that the case here? In hvac, a chattering relay needs to be replaced. So, when the automatic shutdown (asd) relay is on; One of these components is the automatic shutdown relay, commonly referred to as the asd the asd relay supplies power to the vehicle's ignition coils and fuel injectors, which are some of the most. After around 15 second after i on my printer relay automatically turn off printer. Does the ecm supply a positive current to the lead wire in order to shut the vehicle down but normally operate as the ground for the circuit?

This chattering has a steady rhythm, not intermittent, which makes me wonder if it's performing it's function.

Automatic shutdown relay tamil eelam news boise idaho through the lens photography os: A small, easy to use program made with effective power saving capability, this tool proves to drastically save on. The function of the automatic shutdown (asd) relay is to shut off power to major systems. This wikihow teaches you how to configure your mac or pc to safely shut down at a certain time. One purpose of the auto shutdown relay is to avoid dieselling. Automatic shutdown relay by bob o'neill and bob lincoln the power supplied to the fuel pump, ignition coil, fuel injectors, and parts of the power module. Automated shutdown, automatic shutdown, hibernate, log off. It supplies battery voltage (12+ volts) to the fuel. Never heard of such a thing. 15 фраз в 7 тематиках. Es automatic shutdown scheduler v.1.0.1.1. So, when the automatic shutdown (asd) relay is on; The asd relay is located in the pdc (fig.

What if your car shuts down while you are parked on train tracks with a big. Automated shutdown, automatic shutdown, hibernate, log off. Are they the same thing? It supplies battery voltage (12+ volts) to the fuel. But they do list a starter shutdown relay.

Where Is The Auto Shut Down Relay On A 2000 Chrysler Cirrus
Where Is The Auto Shut Down Relay On A 2000 Chrysler Cirrus from ww2.justanswer.com
Make sure you save your files frequently so you don't lose data during a shutdown. One purpose of the auto shutdown relay is to avoid dieselling. 15 фраз в 7 тематиках. The function of the automatic shutdown (asd) relay is to shut off power to major systems. One of these components is the automatic shutdown relay, commonly referred to as the asd the asd relay supplies power to the vehicle's ignition coils and fuel injectors, which are some of the most. Bigtreetech relay v1.2 automatic shutdown module after printing 3d printer expansion board skr v1.3 delta cr10 extruder thunder. Is there any solve of this issue? This wikihow teaches you how to configure your mac or pc to safely shut down at a certain time.

This wikihow teaches you how to configure your mac or pc to safely shut down at a certain time.

So, when the automatic shutdown (asd) relay is on; Make sure you save your files frequently so you don't lose data during a shutdown. Es automatic shutdown scheduler v.1.0.1.1. In my 2001 4l jeep grand cherokee the automatic shut down relay is located in the power distribution panel that is. 15 фраз в 7 тематиках. But they do list a starter shutdown relay. March 5, 2021 cited 2021 mar 5. What i had found was a vacant #11 fuse for the transmission control module, powertrain control module, automatic shutdown relay, fuel pump relay. Automatic shutdown relay by bob o'neill and bob lincoln the power supplied to the fuel pump, ignition coil, fuel injectors, and parts of the power module. After around 15 second after i on my printer relay automatically turn off printer. The function of the automatic shutdown (asd) relay is to shut off power to major systems. It supplies battery voltage (12+ volts) to the fuel. This chattering has a steady rhythm, not intermittent, which makes me wonder if it's performing it's function.

By