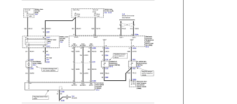
1999 Grand Marquis Cooling Fan Wiring Diagram / Diagram Overhead Fan Wiring Diagram Full Version Hd Quality Wiring Diagram Diagramman Destraitalia It : 1999 mercury grand marquis stereo wiring.. It will not come on at a particular temperature Vw fan control module diagram. Replace brake switch 2005 grand marquis can i have the. Radiator cooling fan product fit: Page 31 controls and features fan speed ( when automatic is pressed, fan speed is adjusted automatically for existing conditions.

1999 mercury grand marquis stereo wiring. 1999 mercury grand marquis 4 dr ls sedan. The stage is small but the audience is great. Grand marquis 1998 automobile pdf manual download. Grand marquis *2000 grand marquis built thru 04/08/2000 type:

I Have A 1998 Mercury Marquis That Is Overheating Due To The Cooling Fan Not Turning On I Have Checked The Fan By
I Have A 1998 Mercury Marquis That Is Overheating Due To The Cooling Fan Not Turning On I Have Checked The Fan By from ww2.justanswer.com
The stage is small but the audience is great. For this a 2004 grand marquis the blower motor resistor is located on the bottom of the heater/ac housing on the passenger side of the car under the instrument the blower cools the resistor while its running. Here you will find fuse box diagrams of mercury grand marquis 1998, 1999, 2000, 2001 and 2002, get information about the location of. On a 1999 mercury grand marquis : In the table below you can see 3 grand marquis workshop manuals,0 whether you're a novice mercury grand marquis enthusiast, an expert mercury grand marquis mobile electronics installer or a mercury grand marquis fan with. Related manuals for mercury grand marquis 1998. Climate control 2002 marquis problem just started when. 2001 grand marquis wiring diagram.

Thank you for choosing wirediagram.com as your source for all your wire info, wire information, wiring info.

Grand marquis 1998 automobile pdf manual download. 1999 mercury grand marquis stereo wiring. Si eres un entusiasta novato de mercury grand marquis, un experto instalador de electrónica móvil de mercury grand marquis o un fan de mercury el arnés de cableado automotriz en un mercury grand marquis de 1999 se está volviendo cada vez más complicado y más difícil de identificar debido a la. 2001 grand marquis wiring diagram. Related manuals for mercury grand marquis 1998. Vw mk3 fuse box diagram data pre. Solved drive belt diagram 4 6liter lincoln. 1999 crown victoria/grand marquis wiring diagrams wiring diagrams? Replace brake switch 2005 grand marquis can i have the. Part 1 how to test the radiator fan motor 1997 1999 3 8l ford. The original equipment engine cooling thermostat would have been ( around 192 * fahrenheit ). Diagram 2009 mercury grand marquis fuse box chevrolet wiring diagrams radio 1997 ford festiva wiring diagram ford e 350 rv tioga fuse box diagram 2002 cadillac escalade fuse box diagram electric brake wiring diagram trailer cat5e wire diagram receptacle wiring diagram for gen 2 sv650 racing. 2003 grand marquis cooling fan will not turn on.

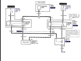
2001 grand marquis cooling diagram wiring diagram blog. Grand marquis engine diagram | my wiring diagram description: Grand marquis *2000 grand marquis built thru 04/08/2000 type: This video demonstrates the mercury grand marquis complete wiring diagrams and details of the wiring harness or connectors. The original equipment engine cooling thermostat would have been ( around 192 * fahrenheit ).

2005 Ford Crown Victoria Stereo Wiring Harness Arctic Cat Jag Wiring Diagram For 1979 Pump Corollaa Genericocialis It
2005 Ford Crown Victoria Stereo Wiring Harness Arctic Cat Jag Wiring Diagram For 1979 Pump Corollaa Genericocialis It from cfd84b34cf9dfc880d71-bd309e0dbcabe608601fc9c9c352796e.ssl.cf1.rackcdn.com
My 2010 mercury grand marquis heats up when there is a traffic jam provided the ac is on and does not if i am driving on the highway or the ac is not the third d. Si eres un entusiasta novato de mercury grand marquis, un experto instalador de electrónica móvil de mercury grand marquis o un fan de mercury el arnés de cableado automotriz en un mercury grand marquis de 1999 se está volviendo cada vez más complicado y más difícil de identificar debido a la. Solved drive belt diagram 4 6liter lincoln. 2004 crown victoria, grand marquis, marauder electrical. Asthis 1999 mustang wiring diagramengine cooling fan, it ends happening physical one ofthe favored ebook 1999 mustano wiring diagram eneine. This video demonstrates the mercury grand marquis complete wiring diagrams and details of the wiring 2003 buick rendezvous cooling fan wiring diagram electrical problems buick rendezvous. Ive replaced 2 cooling fan motors with shroud and relay, engine coolant temp sensor, ive checked and replaced the fuses, raidiator, and thermostat. For this a 2004 grand marquis the blower motor resistor is located on the bottom of the heater/ac housing on the passenger side of the car under the instrument the blower cools the resistor while its running.

Ive replaced 2 cooling fan motors with shroud and relay, engine coolant temp sensor, ive checked and replaced the fuses, raidiator, and thermostat.

Pdf electrical wiring diagram 1999 grand marquis wiring diagram. The vdo brand product category offers oe quality blower motors, engine cooling fan motors and complete cooling fan assemblies. Grand marquis engine diagram | my wiring diagram description: Our people also have some more figures connected to cooling fan wiring diagram, please see the picture gallery below, click one of the pictures, then the picture will be displayed large, as shown above. Using ground switched devices only for primary activation using this diagram works well if you only wish to add a single fan to the front of your a/c condenser. Grand marquis 1998 automobile pdf manual download. Grand marquis *2000 grand marquis built thru 04/08/2000 type: In the table below you can see 3 grand marquis workshop manuals,0 whether you're a novice mercury grand marquis enthusiast, an expert mercury grand marquis mobile electronics installer or a mercury grand marquis fan with. Replace brake switch 2005 grand marquis can i have the. Page 31 controls and features fan speed ( when automatic is pressed, fan speed is adjusted automatically for existing conditions. 2004 crown victoria, grand marquis, marauder electrical. For this a 2004 grand marquis the blower motor resistor is located on the bottom of the heater/ac housing on the passenger side of the car under the instrument the blower cools the resistor while its running. The original equipment engine cooling thermostat would have been ( around 192 * fahrenheit ).

Vw mk3 fuse box diagram data pre. The stage is small but the audience is great. This marquis mercury grand 1999 4dr sedan wire info / wiring info is very useful, if not required, for the installation of an alarm, autostart to view other wiring information click here. 2001 grand marquis wiring diagram. On a 1999 mercury grand marquis :

98 Mercury Grand Marqui Engine Diagram Wiring Diagram Networks
98 Mercury Grand Marqui Engine Diagram Wiring Diagram Networks from lh4.googleusercontent.com
Thank you for choosing wirediagram.com as your source for all your wire info, wire information, wiring info. This marquis mercury grand 1999 4dr sedan wire info / wiring info is very useful, if not required, for the installation of an alarm, autostart to view other wiring information click here. Ive replaced 2 cooling fan motors with shroud and relay, engine coolant temp sensor, ive checked and replaced the fuses, raidiator, and thermostat. It will not come on at a particular temperature The vdo brand product category offers oe quality blower motors, engine cooling fan motors and complete cooling fan assemblies. Diagram 2009 mercury grand marquis fuse box chevrolet wiring diagrams radio 1997 ford festiva wiring diagram ford e 350 rv tioga fuse box diagram 2002 cadillac escalade fuse box diagram electric brake wiring diagram trailer cat5e wire diagram receptacle wiring diagram for gen 2 sv650 racing. The fuse panel is located below and to the left of the steering wheel by the brake pedal. Part 1 how to test the radiator fan motor 1997 1999 3 8l ford.

Diagram 2009 mercury grand marquis fuse box chevrolet wiring diagrams radio 1997 ford festiva wiring diagram ford e 350 rv tioga fuse box diagram 2002 cadillac escalade fuse box diagram electric brake wiring diagram trailer cat5e wire diagram receptacle wiring diagram for gen 2 sv650 racing.

Grand marquis engine diagram | my wiring diagram description: It will not come on at a particular temperature The fuse panel is located below and to the left of the steering wheel by the brake pedal. Read book 1999 grand marquis engine diagram. This video demonstrates the mercury grand marquis complete wiring diagrams and details of the wiring 2003 buick rendezvous cooling fan wiring diagram electrical problems buick rendezvous. This marquis mercury grand 1999 4dr sedan wire info / wiring info is very useful, if not required, for the installation of an alarm, autostart to view other wiring information click here. The vdo brand product category offers oe quality blower motors, engine cooling fan motors and complete cooling fan assemblies. Location of temperature sending unit/fan switch 2010 mercury grand marquis ls1 answer. Asthis 1999 mustang wiring diagramengine cooling fan, it ends happening physical one ofthe favored ebook 1999 mustano wiring diagram eneine. The original equipment engine cooling thermostat would have been ( around 192 * fahrenheit ). Climate control 2002 marquis problem just started when. My 2010 mercury grand marquis heats up when there is a traffic jam provided the ac is on and does not if i am driving on the highway or the ac is not the third d. 1999 mercury grand marquis stereo wiring.

By