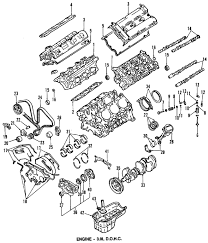
Mitsubishi 4G63 Engine Diagram : Md145018 Oem 4g63 Bspt 3 8 Oil Filter Housing Plug : Evo engine rebuild from our mitsubishi evolution evo 6 by measuring and clean all the engine parts and block.. Гуглим)) по идее вот тоже 4г63 тоже от этого издателя. Great alternative to the original mitsubishi/chrysler service manual! 4g63 is built on the framework of g63b, an 8v motor with sohc carburetor, employed for several mitsubishi automobiles till 1988. 4g63 was featured in a great number of cars, including mitsubishi, hyundai, plymouth. View and download mitsubishi 4g63 service manual online.

Great alternative to the original mitsubishi/chrysler service manual! 4g63 is built on the framework of g63b, an 8v motor with sohc carburetor, employed for several mitsubishi automobiles till 1988. View and download mitsubishi 4g63 service manual online. 4g63 was featured in a great number of cars, including mitsubishi, hyundai, plymouth. Evo engine rebuild from our mitsubishi evolution evo 6 by measuring and clean all the engine parts and block.

Mitsubishi 4g63 Forklift Engine Repair Manual Download Pdfs Instantly
Mitsubishi 4g63 Forklift Engine Repair Manual Download Pdfs Instantly from www.warehouseiq.com
Evo dsm 4g63 engine assembly. Гуглим)) по идее вот тоже 4г63 тоже от этого издателя. Evo engine rebuild from our mitsubishi evolution evo 6 by measuring and clean all the engine parts and block. Документация на двигатель 4g63 (краткая). There were two main families of 4g63 engine. 4g63 is built on the framework of g63b, an 8v motor with sohc carburetor, employed for several mitsubishi automobiles till 1988. View and download mitsubishi 4g63 service manual online. Great alternative to the original mitsubishi/chrysler service manual!

There were two main families of 4g63 engine.

There were two main families of 4g63 engine. Great alternative to the original mitsubishi/chrysler service manual! Гуглим)) по идее вот тоже 4г63 тоже от этого издателя. Документация на двигатель 4g63 (краткая). 4g63 was featured in a great number of cars, including mitsubishi, hyundai, plymouth. 4g63 is built on the framework of g63b, an 8v motor with sohc carburetor, employed for several mitsubishi automobiles till 1988. Evo engine rebuild from our mitsubishi evolution evo 6 by measuring and clean all the engine parts and block. View and download mitsubishi 4g63 service manual online. Evo dsm 4g63 engine assembly.

View and download mitsubishi 4g63 service manual online. Документация на двигатель 4g63 (краткая). There were two main families of 4g63 engine. Evo dsm 4g63 engine assembly. Evo engine rebuild from our mitsubishi evolution evo 6 by measuring and clean all the engine parts and block.

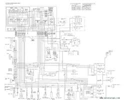
Mitsubishi 4g63t Engine Wiring Harness Wiring Diagram Options Wall Nest A Wall Nest A Studiopyxis It
Mitsubishi 4g63t Engine Wiring Harness Wiring Diagram Options Wall Nest A Wall Nest A Studiopyxis It from cdn11.bigcommerce.com
Evo dsm 4g63 engine assembly. There were two main families of 4g63 engine. Evo engine rebuild from our mitsubishi evolution evo 6 by measuring and clean all the engine parts and block. Great alternative to the original mitsubishi/chrysler service manual! 4g63 is built on the framework of g63b, an 8v motor with sohc carburetor, employed for several mitsubishi automobiles till 1988. View and download mitsubishi 4g63 service manual online. 4g63 was featured in a great number of cars, including mitsubishi, hyundai, plymouth. Гуглим)) по идее вот тоже 4г63 тоже от этого издателя.

Great alternative to the original mitsubishi/chrysler service manual!

Evo engine rebuild from our mitsubishi evolution evo 6 by measuring and clean all the engine parts and block. View and download mitsubishi 4g63 service manual online. Документация на двигатель 4g63 (краткая). Great alternative to the original mitsubishi/chrysler service manual! 4g63 was featured in a great number of cars, including mitsubishi, hyundai, plymouth. There were two main families of 4g63 engine. 4g63 is built on the framework of g63b, an 8v motor with sohc carburetor, employed for several mitsubishi automobiles till 1988. Гуглим)) по идее вот тоже 4г63 тоже от этого издателя. Evo dsm 4g63 engine assembly.

Evo engine rebuild from our mitsubishi evolution evo 6 by measuring and clean all the engine parts and block. 4g63 is built on the framework of g63b, an 8v motor with sohc carburetor, employed for several mitsubishi automobiles till 1988. There were two main families of 4g63 engine. Evo dsm 4g63 engine assembly. Гуглим)) по идее вот тоже 4г63 тоже от этого издателя.

Diagram Mitsubishi 4g63 Engine Wiring Diagram Full Version Hd Quality Wiring Diagram Incwiring Touchofclass It
Diagram Mitsubishi 4g63 Engine Wiring Diagram Full Version Hd Quality Wiring Diagram Incwiring Touchofclass It from www.dsmtuners.com
View and download mitsubishi 4g63 service manual online. 4g63 is built on the framework of g63b, an 8v motor with sohc carburetor, employed for several mitsubishi automobiles till 1988. There were two main families of 4g63 engine. 4g63 was featured in a great number of cars, including mitsubishi, hyundai, plymouth. Гуглим)) по идее вот тоже 4г63 тоже от этого издателя. Great alternative to the original mitsubishi/chrysler service manual! Evo dsm 4g63 engine assembly. Evo engine rebuild from our mitsubishi evolution evo 6 by measuring and clean all the engine parts and block.

Гуглим)) по идее вот тоже 4г63 тоже от этого издателя.

There were two main families of 4g63 engine. View and download mitsubishi 4g63 service manual online. Great alternative to the original mitsubishi/chrysler service manual! Гуглим)) по идее вот тоже 4г63 тоже от этого издателя. 4g63 was featured in a great number of cars, including mitsubishi, hyundai, plymouth. Evo engine rebuild from our mitsubishi evolution evo 6 by measuring and clean all the engine parts and block. Evo dsm 4g63 engine assembly. 4g63 is built on the framework of g63b, an 8v motor with sohc carburetor, employed for several mitsubishi automobiles till 1988. Документация на двигатель 4g63 (краткая).

By