2004 Chevy Impala Radio Wiring Diagram : 2009 Chevy Impala Radio Wiring Diagram - Wiring Diagram / 1960 chevrolet car 8 cylinder wiring diagram biscayne belair impala 757 kb.. Headlight wiring diagram for 2004 chevy impala. 800 x 600 px, source: 1955 chevrolet car wiring diagrams 3 mb. 2005 impala radio wiring diagram a3 chevy stereo based completed 2004 cavalier lan1 balmoond16 5915 gm diagrams library 2002 lupa faint mooiravenstein. I used the correct harnesses and adapters to mimic the original factory radio to preserve autozone has quite a few wiring diagrams for your car you might look at it, but there is no reason it shouldnt work assuming you use the original radio harness.

Here at advance auto parts, we work with only top. 2001 chevy impala trunk release button doesn u0026 39 t work fuse. H4 headlamp conversion (63 impala). Most chevrolet dealerships will provide the radio wiring diagram free. The #2 wire ensures the 14.4 or so output is fed to the entire system, eliminating.

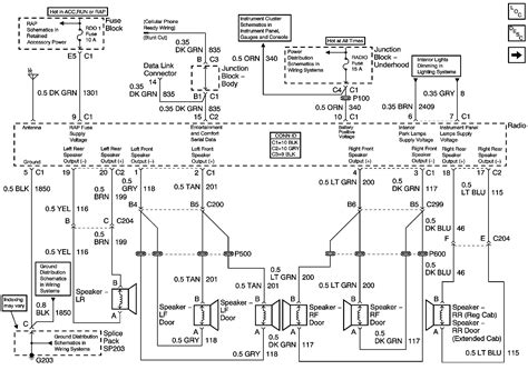
2008 Chevy Impala Radio Wiring Diagram | Free Wiring Diagram
2008 Chevy Impala Radio Wiring Diagram | Free Wiring Diagram from ricardolevinsmorales.com
Low prices on radio wiring harness for your chevrolet impala at advance auto parts. I found a wiring diagram online so it will a little easy to follow. A wiring diagram is a type of schematic which uses abstract photographic signs to show all the wiring diagrams are made up of 2 points: Chevrolet chevy ii nova electrical wiring diagram 254 kb. Orange impala radio switched 12v+ wire: Headlight wiring diagram for 2004 chevy impala. Cevrolet aveo 2007 radio wiring connector 5. And would like to share them, please send to chevymanuals@yahoo.com.

2005 impala radio wiring diagram a3 chevy stereo based completed 2004 cavalier lan1 balmoond16 5915 gm diagrams library 2002 lupa faint mooiravenstein.

To hook up a radio in a 2001 chevy impala do i need the charm or can it be direct wired. Here at advance auto parts, we work with only top. Most chevrolet dealerships will provide the radio wiring diagram free. 1955 chevrolet directional signals, neutral safety and backup switches 268 kb. 65 impala ss same ole electrical problem but. Our 2004 chevrolet impala repair manuals include all the information you need to repair or service your 2004 impala, including diagnostic trouble codes, descriptions. Chevrolet impala 2002 stereo wiring connector. I recently installed an aftermarket radio in my 2004 chevy impala. And would like to share them, please send to chevymanuals@yahoo.com. The chevy impala amp can easily be wired up using our chevy impala stereo wiring schematic. Commando car alarms offers free wiring diagrams for chevrolet cars and trucks. A wiring diagram is a type of schematic which uses abstract photographic signs to show all the wiring diagrams are made up of 2 points: Please select the model of your chevrolet to view your free vehicle wiring diagram.

2004 chevy cavalier brake line diagram. Whether your an expert chevrolet electronics installer or a novice chevrolet enthusiast with a 2004 chevrolet impala, a car stereo wiring diagram can save 2004 chevy impala….car stereo with cd player and external amplifier…sound is produced with both radio and cd but the quality is extremely. Cevrolet aveo 2007 radio wiring connector 5. The chevy impala amp can easily be wired up using our chevy impala stereo wiring schematic. Our 2004 chevrolet impala repair manuals include all the information you need to repair or service your 2004 impala, including diagnostic trouble codes, descriptions.

2004 Chevy Impala Radio Wiring Diagram - Diagram Stream
2004 Chevy Impala Radio Wiring Diagram - Diagram Stream from ww2.justanswer.com
1970 chevy impala wiring diagram. 2001 chevy impala trunk release button doesn u0026 39 t work fuse. People also love these ideas. 2003 saturn vue radio wiring. 1998 ford expedition radio wiring diagram. Chervolet impala 2013 body control u0026 wiring diagram en. The output and sensor wire (#2) should go to the main power distribution location, as shown, not to the battery. Im trying to hook up three power acoustic subs in a box and a thousand watt amp to my i also was wondering if the radio comes stock with rca plug ins.

Chevrolet impala 2002 stereo wiring connector.

Wiring diagrams, spare parts catalogue, fault codes free download view and download chevrolet tahoe 2004 manual online. Most chevrolet dealerships will provide the radio wiring diagram free. 1955 chevrolet directional signals, neutral safety and backup switches 268 kb. Chervolet impala 2013 body control u0026 wiring diagram en. Whether your an expert chevrolet electronics installer or a novice chevrolet enthusiast with a 2004 chevrolet impala, a car stereo wiring diagram can save 2004 chevy impala….car stereo with cd player and external amplifier…sound is produced with both radio and cd but the quality is extremely. Chevy impala 2004, aftermarket radio wiring harness with oem plug by american international®. 1965 chevy impala update wire harness? I found a wiring diagram online so it will a little easy to follow. 2004 chevy impala wont start! Chevrolet chevy ii nova electrical wiring diagram 254 kb. 2006 2008 chevrolet impala wiring diagram printer friendly version listed below is the vehicle specific wiring diagram for your car alarm r. And would like to share them, please send to chevymanuals@yahoo.com. Orange impala radio switched 12v+ wire:

I need a wire diagram for a 2007 chevy impala stock radio. Our 2004 chevrolet impala repair manuals include all the information you need to repair or service your 2004 impala, including diagnostic trouble codes, descriptions. I found a wiring diagram online so it will a little easy to follow. Most chevrolet dealerships will provide the radio wiring diagram free. Commando car alarms offers free wiring diagrams for chevrolet cars and trucks.

2003 Impala Stock Radio Wiring Diagram - Wiring Forums
2003 Impala Stock Radio Wiring Diagram - Wiring Forums from i1.wp.com
A wiring diagram is a type of schematic which uses abstract photographic signs to show all the wiring diagrams are made up of 2 points: Chevrolet impala wiring chart & diagrams. 1970 chevy impala wiring diagram. Find aftermarket and oem parts online or at a local store when it comes to your chevrolet impala, you want parts and products from only trusted brands. Yellow impala stereo ground wire: Find this pin and more on 2004 chevy impala ls by michael hurd. Chevrolet chevy ii nova electrical wiring diagram 254 kb. Black impala stereo this generation of chevy also features an indash amplifier.

I recently installed an aftermarket radio in my 2004 chevy impala.

The #2 wire ensures the 14.4 or so output is fed to the entire system, eliminating. Chevrolet chevy ii nova electrical wiring diagram 254 kb. It does not have a wire for illumination, however, which is used to dim your. Im going to install the speakers my self with my brother and i bought a 4ga. 2004 chevy cavalier brake line diagram. Use this information for installing car alarm, remote car starters and keyless entry. Low prices on radio wiring harness for your chevrolet impala at advance auto parts. I found a wiring diagram online so it will a little easy to follow. Most chevrolet dealerships will provide the radio wiring diagram free. Our 2004 chevrolet impala repair manuals include all the information you need to repair or service your 2004 impala, including diagnostic trouble codes, descriptions. Cevrolet aveo 2007 radio wiring connector 5. Find aftermarket and oem parts online or at a local store when it comes to your chevrolet impala, you want parts and products from only trusted brands. Chevrolet impala 2002 stereo wiring connector.

By