2002 Silverado Headlight Switch Wiring Diagram : Gm Headlight Switch Wiring Diagram 2001 Drl 1990 Honda Prelude Tail Light Wiring Tos30 Ikikik Jeanjaures37 Fr : Ad 0714 2002 chevy impala wiring diagram lzk gallery.. Please right click on the image and save the picture. The headlamps have a common connection to ground. 2002 chevrolet silverado fuse diagram 2002 chevrolet silverado fuse diagram 2002 chevrolet silverado fuse diagram underhood fuse box. It consists of guidelines and diagrams for various kinds of wiring techniques along with other products like lights, windows, and so forth. Search for 2002 chevy silverado headlight wire diagram here and subscribe to this site 2002 chevy silverado headlight wire diagram read more!

This is not a question but a answer for headlight problems on a 1998 chevy k1500 silverado. Some wiring system issues are more complex, however: By the switch to either headlamp. 2001 chevy silverado headlight switch wiring diagram power 2001 chevy malibu radio wiring diagram malochicolove com Testing the headlight switch (which gm calls the headlamp switch) is a very easy affair and can be done with a multimeter and i'll show you how.

Gm Headlight Switch Wiring Diagram 2001 Drl Diagram Of Fuse Box For Chrysler 300 Limited Fisher Wire Tukune Jeanjaures37 Fr
Gm Headlight Switch Wiring Diagram 2001 Drl Diagram Of Fuse Box For Chrysler 300 Limited Fisher Wire Tukune Jeanjaures37 Fr from i.pinimg.com
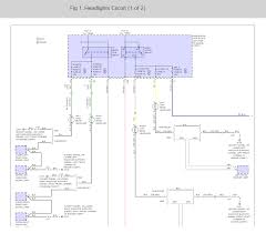
Some import vehicles as well as 1999 to 2002 chevrolet/gmc, dodge use a low side drive headlamp system in which power is supplied to the common connection of the headlamps. Ground output wire through the rheostat. 2000 sierra electrical ground location diagram. 2 may 07 2019, 4:21pm. Workshop and repair manuals, service & owner's manual. If you want to troubleshoot a headlight problem in your chevrolet siverado, you'll need this headlight wiring diagram. The headlamps have a common connection to ground. Search for 2002 chevy silverado headlight wire diagram here and subscribe to this site 2002 chevy silverado headlight wire diagram read more!

Architectural wiring diagrams put on an act the approximate locations and interconnections of receptacles, lighting, and surviving electrical services in a building.

Our people also have some more photos connected to free gm wiring diagrams, please see the pic gallery below, click one of the pics, then. You can save this photographic file to your personal device. That is outside under the hood wiring i need inside wiring diagram for ignition switch wiring to ign. Ad 0714 2002 chevy impala wiring diagram lzk gallery. Some wiring system issues are more complex, however: 2 jul 03 2018, 4:20am. 2002 chevrolet silverado fuse diagram 2002 chevrolet silverado fuse diagram 2002 chevrolet silverado fuse diagram underhood fuse box. A wiring diagram is a simplified standard photographic depiction of an electrical circuit. Between the y and the dash board, physically cut the high beam wire in half. Some import vehicles as well as 1999 to 2002 chevrolet/gmc, dodge use a low side drive headlamp system in which power is supplied to the common connection of the headlamps. Also, test through the headlight switch. Bcm 2002 chevy silverado wiring diagram chevrolet truck trailer harness 2001 1500 radio alternator. Chevy silverado wiring diagram collection.

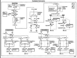
Headlight wire diagram jul 25 2013, 4:16pm i think my drl lights turn off when the head lights are on, but anyways your drls are on the bottom set of head lights and your regular lights are on top high beam on the inside and low on the out side. Unlike many other headlight systems, the normal headlights and drl lights are two separate systems. This is the 2002 gmc sierra wiring diagram free wiring diagrams awesome of a image i get coming from the free gm wiring diagrams collection. Wiring diagram contains many in depth illustrations that present the connection of varied products. By the switch to either headlamp.

Wiring Diagram 2002 Chevy Impala Wiring Diagram Fat Data B Fat Data B Disnar It
Wiring Diagram 2002 Chevy Impala Wiring Diagram Fat Data B Fat Data B Disnar It from static-cdn.imageservice.cloud
By the switch to either headlamp. Typical electrical problems include bad batteries, alternators, and starters, along with blown fuses and bad battery cables. Grounding points diagram for 2011 sierra 1500. Www.carristech.com 2003 chevy silverado headlight wiring diagram source: 2001 chevy silverado headlight switch wiring diagram power 2001 chevy malibu radio wiring diagram malochicolove com 4 fuse and relay chevy mechanic: Headlight wire diagram jul 25 2013, 4:16pm i think my drl lights turn off when the head lights are on, but anyways your drls are on the bottom set of head lights and your regular lights are on top high beam on the inside and low on the out side. Assortment of 2002 chevy silverado wiring diagram.

Ground is supplied to either headlamp by the switch.

Get to know your truck's wiring. Unlike many other headlight systems, the normal headlights and drl lights are two separate systems, but. Also, test through the headlight switch. Ground is supplied to either headlamp by the switch. 2001 chevy silverado head light problem. 2 jul 03 2018, 4:20am. This is not a question but a answer for headlight problems on a 1998 chevy k1500 silverado. In need of a 2019 trailboss custom crew wire diagram. 2003 chevy silverado wiring diagram 2004 chevrolet silverado radio. Unlike many other headlight systems, the normal headlights and drl lights are two separate systems. 2003 chevy silverado headlight wiring diagram source: 2 may 07 2019, 4:21pm. Headlight wiring diagram chevrolet silverado here's the headlight wiring diagram for a chevrolet silverado with drl.

2 mar 31 2019, 6:14pm. Diagrams for the following systems are included. Chevy silverado wiring diagram collection. Headlight wiring diagram chevrolet silverado here's the headlight wiring diagram for a chevrolet silverado with drl. Testing the headlight switch (which gm calls the headlamp switch) is a very easy affair and can be done with a multimeter and i'll show you how.

Headlight Wiring Diagrams Please The Wiring That Runs From The
Headlight Wiring Diagrams Please The Wiring That Runs From The from www.2carpros.com
Testing the headlight switch (which gm calls the headlamp switch) is a very easy affair and can be done with a multimeter and i'll show you how. 0 dec 23 2017, 11:39pm. Some wiring system issues are more complex, however: 2 mar 31 2019, 6:14pm. Ad 0714 2002 chevy impala wiring diagram lzk gallery. Typical electrical problems include bad batteries, alternators, and starters, along with blown fuses and bad battery cables. Search for 2002 chevy silverado headlight wire diagram here and subscribe to this site 2002 chevy silverado headlight wire diagram read more! Also, test through the headlight switch.

Wiring diagram contains many in depth illustrations that present the connection of varied products.

Gm headlight switch circuit descriptions: Wiring diagrams, spare parts catalogue, fault codes free download. Diagram 2002 chevy silverado 1500 wiring of ignition switch full version hd quality imperialelectricmotors blidetoine fr. This is not a question but a answer for headlight problems on a 1998 chevy k1500 silverado. If you want to troubleshoot a headlight problem in your chevrolet siverado, you'll need this headlight wiring diagram. 1995 gmc headlight wiring diagram trusted wiring diagrams •. 2003 chevy silverado wiring diagram 2004 chevrolet silverado radio. Please right click on the image and save the picture. 2002 chevrolet silverado 1500 owner's manual. 2004 silverado headlight switch wiring diagram. Chevy silverado wiring diagram collection. Our people also have some more photos connected to free gm wiring diagrams, please see the pic gallery below, click one of the pics, then. 2002 s10 headlight wiring diagram full chevy schematic 99 2003 blazer headlamp trailblazer head light 2000 1500 starter 081bb 95 24d50fd ke lamp 2018 cruze switch needed looking for a wires to and from each high beam part 1 circuit 1996 of at 98 s 1995 2001 mustang 1999 cavalier tail chevrolet 4x4 power aveo engine fuse box my pickup has problem where harness fuel.

By